荣航产品

联系我们

  • 手机:13861355442

  • 手机:15252919111

  • 电话:0511-85728316

  • 售后服务:0511-85725315

  • 图文传真:0511-85725345

  • 地址:江苏省镇江市京口区金阳路139号

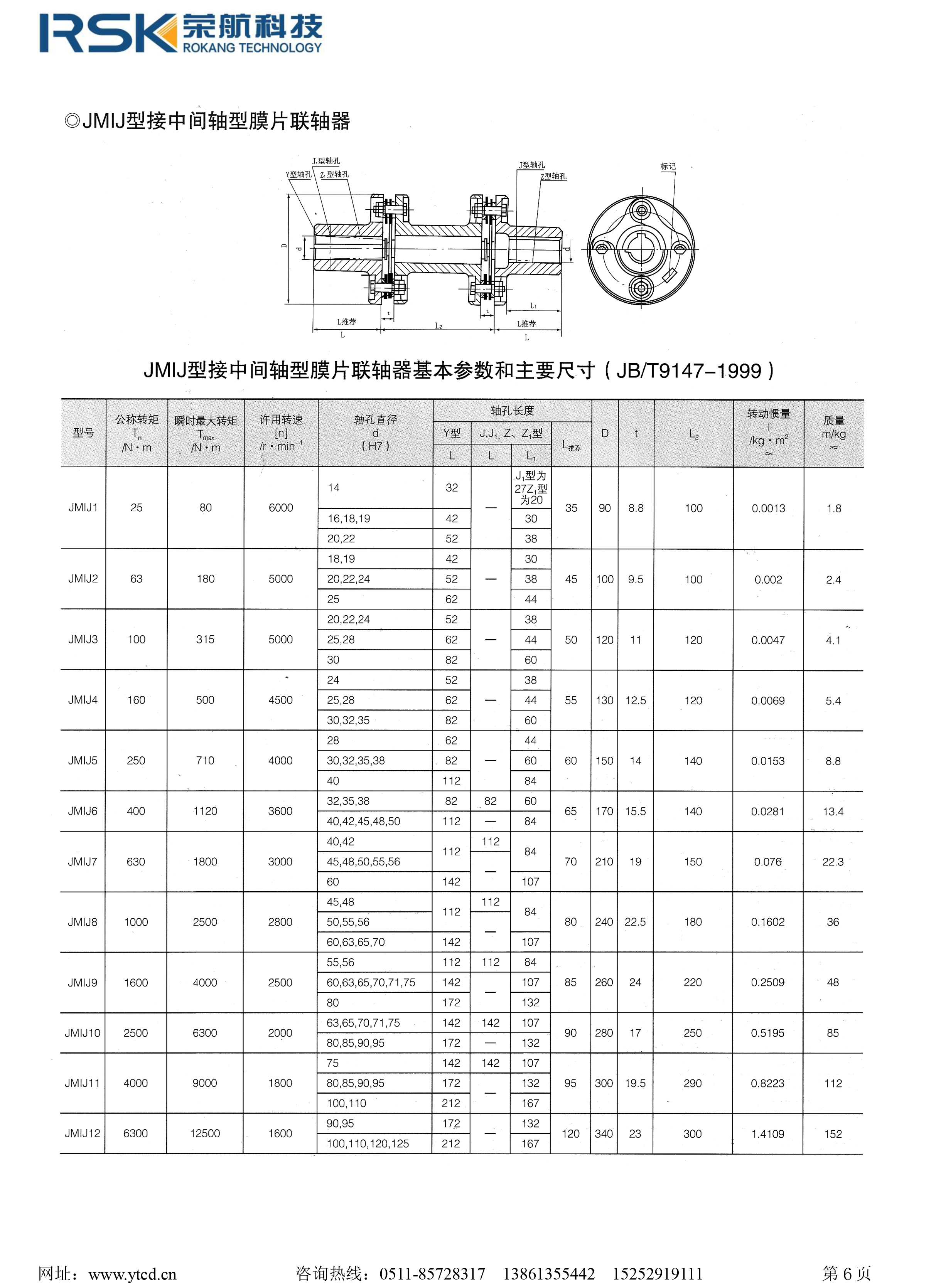
JMIJ型膜片联轴器

6JMIJ.jpg

上一篇: JM型膜片联轴器